LEMON Manuals: Even more car manuals for everyone
Home >> Lexus >> 2004 >> SC 430 >> Repair and Diagnosis (Single Page) >> Brakes >> Traction Control >> Anti-Lock Brake System >> System Testing >> Test F: Slip Indicator Light Circuit >> Testing Procedure

Testing Procedure

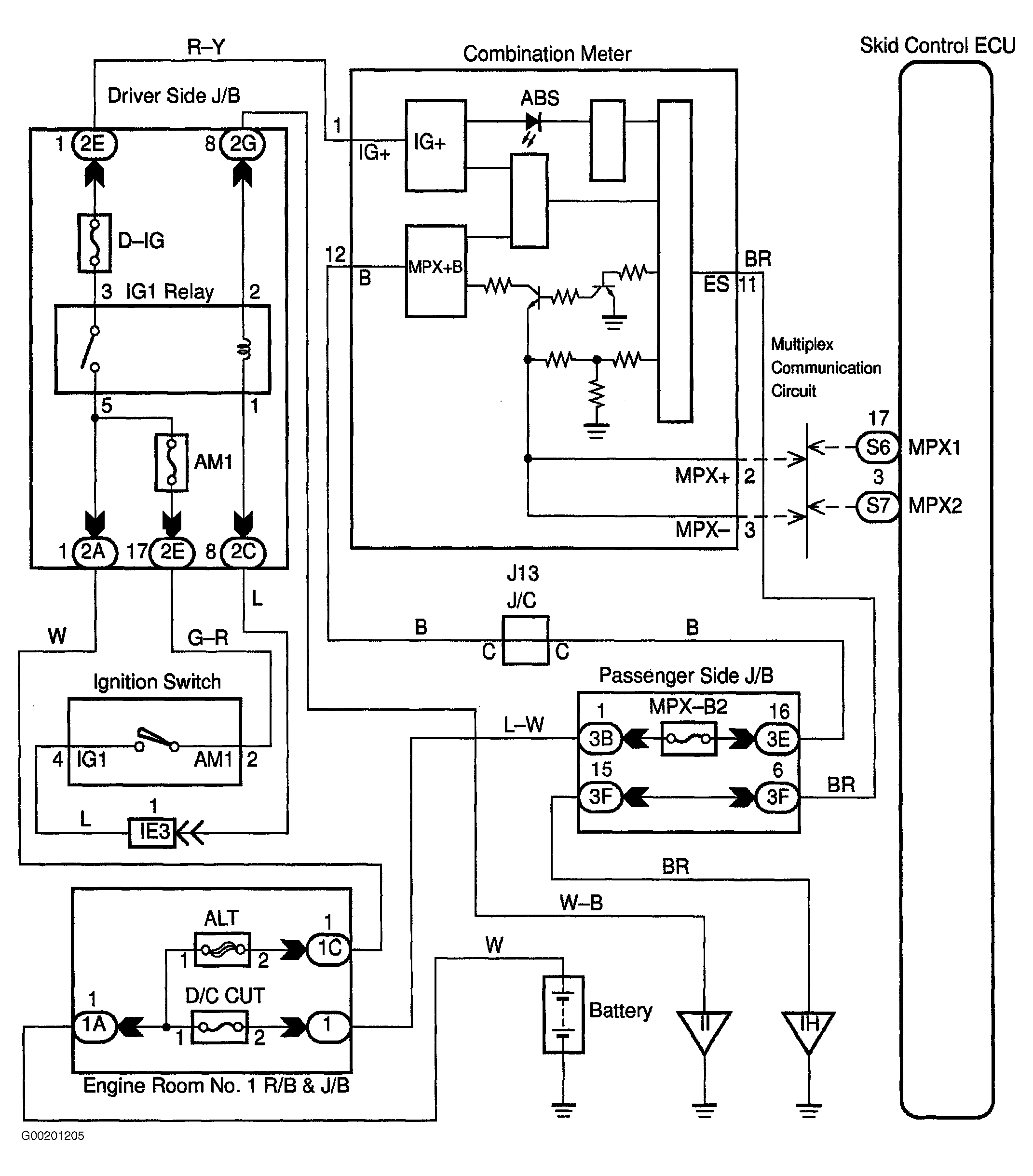
For wiring diagram see Figure. For testing procedure see Fig 1.

Fig 1: Testing Procedure SLIP Indicator Light Circuit
G00201214Courtesy of © TOYOTA, LICENSE AGREEMENT TMS1002