LEMON Manuals: Even more car manuals for everyone
Home >> Lexus >> 2004 >> LX 470 >> Repair and Diagnosis (Single Page) >> Accessories & Equipment >> Infotainment >> LEXUS Navigation System - Diagnosis >> Circuit Inspection >> Power Source Circuit (Multi-Display Assembly) >> Wiring Diagram

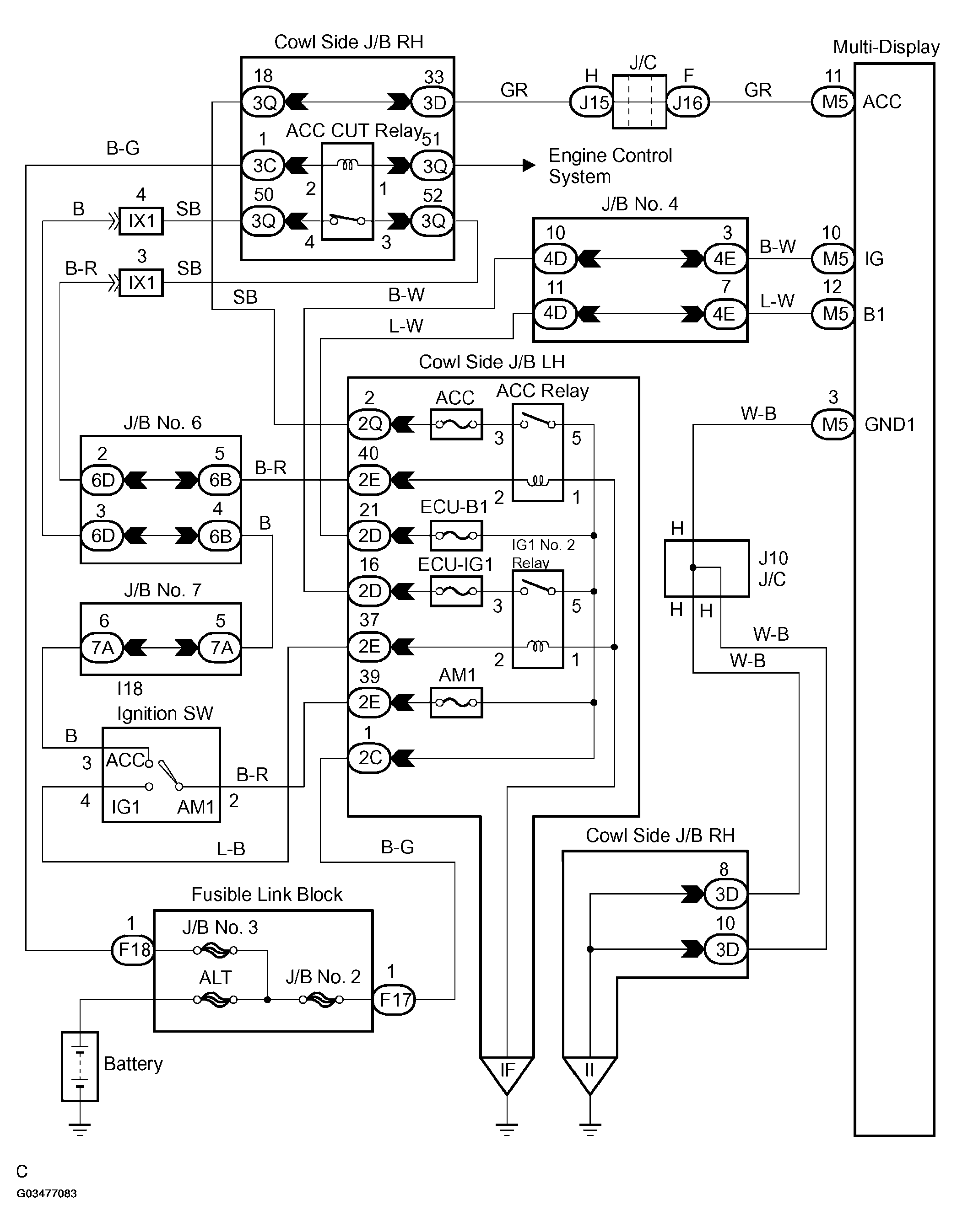
Power Source Circuit (Multi-Display Assembly): Wiring Diagram

Fig 1: Wiring Diagram - Power Source Circuit (Multi-Display Assembly)
G03477083Courtesy of © TOYOTA, LICENSE AGREEMENT TMS1002