LEMON Manuals: Even more car manuals for everyone
Home >> Lexus >> 2004 >> LS 430 >> Repair and Diagnosis >> Electrical >> Charging Systems >> Charging >> Charging System >> System Diagram

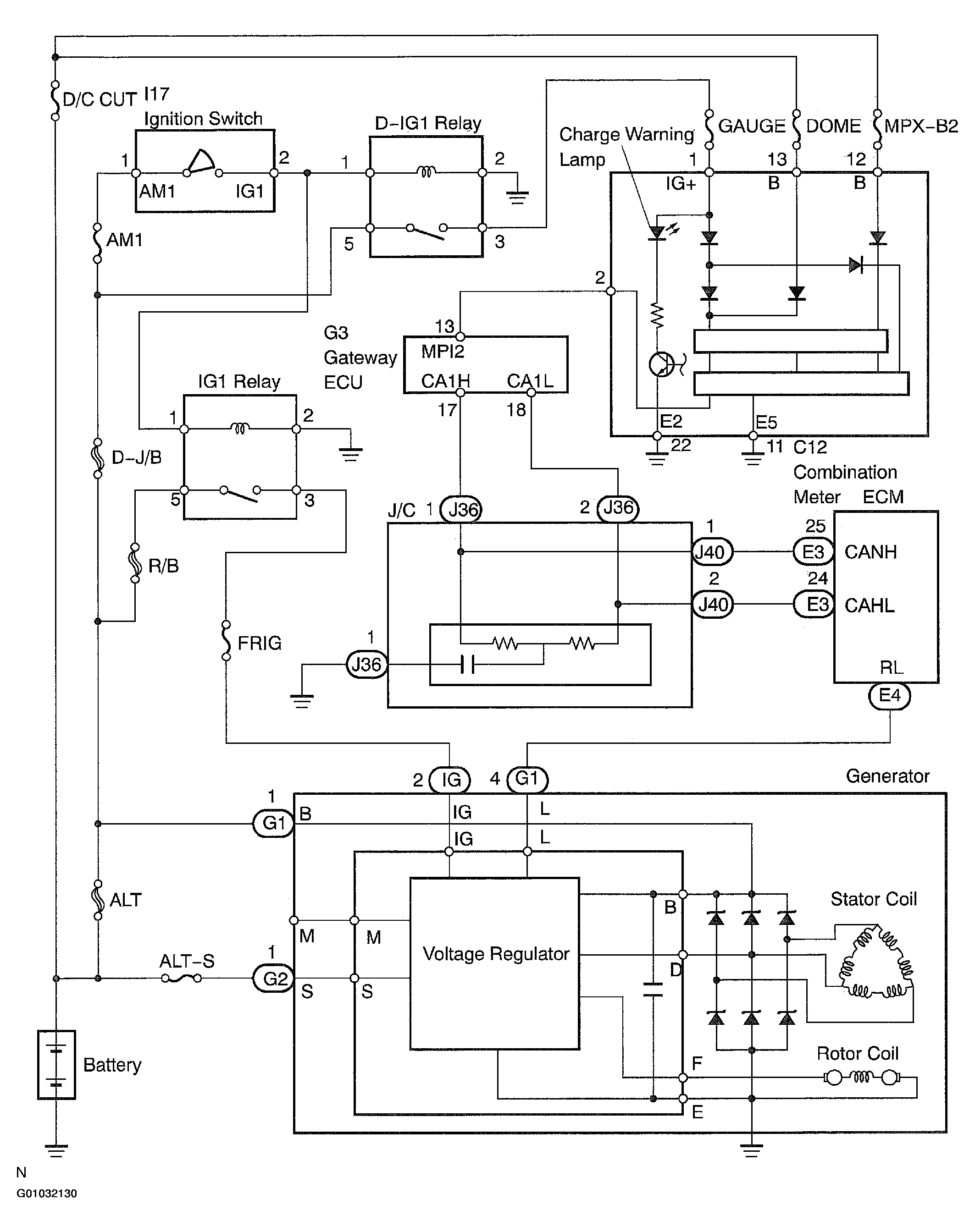
System Diagram

The charging system uses the voltage regulator to regulate electricity that is generated by the rotations of the rotor coil and stores this electricity in the battery.

Fig 1: Charging System Wiring Diagram
G01032130Courtesy of © TOYOTA, LICENSE AGREEMENT TMS1002