LEMON Manuals: Even more car manuals for everyone
Home >> Lexus >> 2004 >> IS 300 Base, Standard >> Repair and Diagnosis >> Engine Performance >> Engine Control System - Diagnosis >> Circuit Inspection >> DTC P0120: Throttle Pedal Position Sensor/Switch "A" Circuit, DTC P0122: Throttle Pedal Position Sensor/Switch "A" Circuit Low Input, DTC P0123: Throttle Pedal Position Sensor/Switch "A" Circuit High Input >> Wiring Diagram

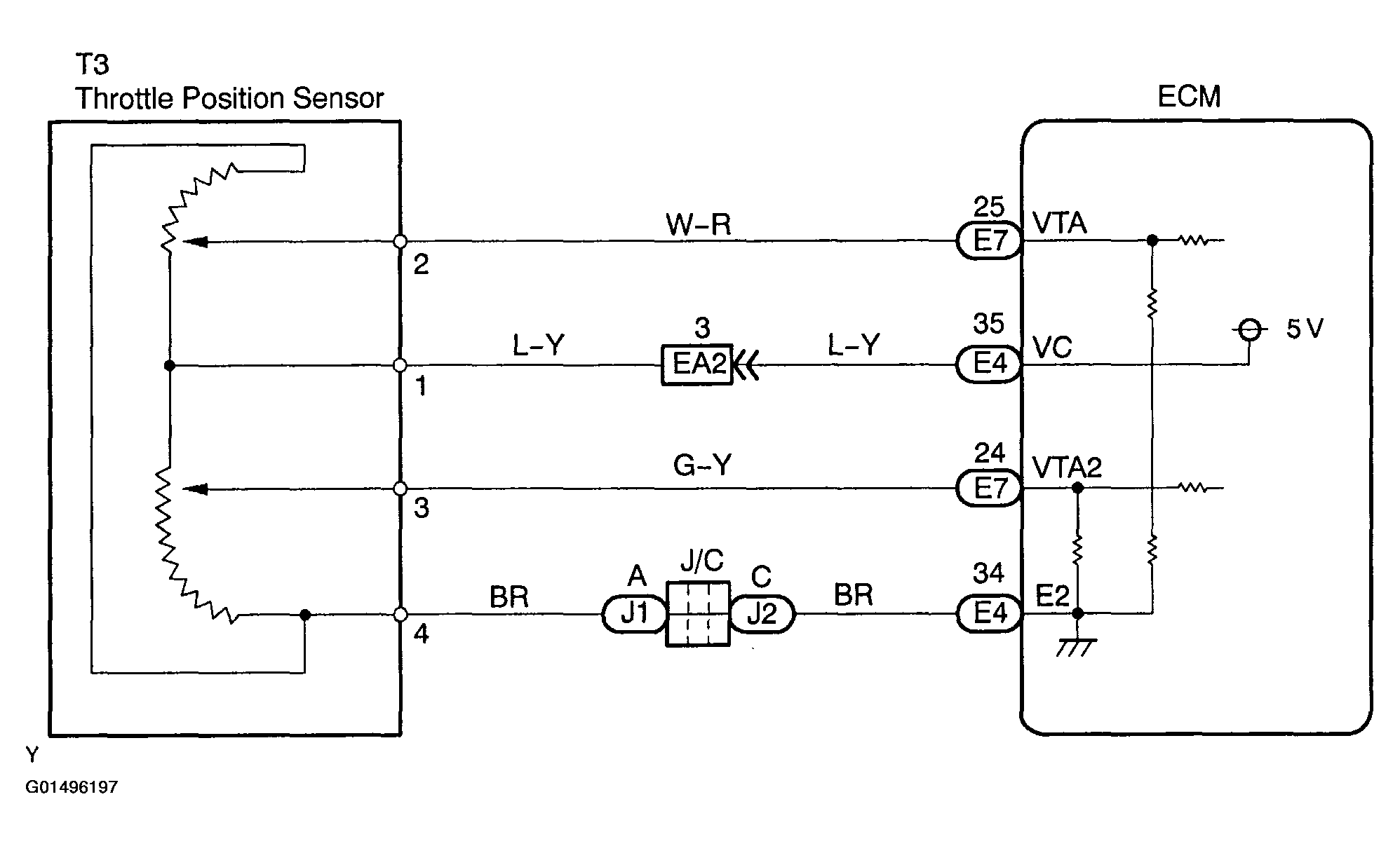
DTC P0120: Throttle Pedal Position Sensor/Switch "A" Circuit, DTC P0122: Throttle Pedal Position Sensor/Switch "A" Circuit Low Input, DTC P0123: Throttle Pedal Position Sensor/Switch "A" Circuit High Input: Wiring Diagram

Fig 1: Throttle Position Sensor Wiring Diagram
G01496197Courtesy of © TOYOTA, LICENSE AGREEMENT TMS1002