LEMON Manuals: Even more car manuals for everyone
Home >> Lexus >> 2003 >> LS 430 >> Repair and Diagnosis >> Engine Performance >> System >> Engine Controls - Self-Diagnostics >> Diagnostic Tests >> DTC P2121: Throttle/Pedal Position Sensor/Switch "D" Circuit Range Performance >> Circuit Description

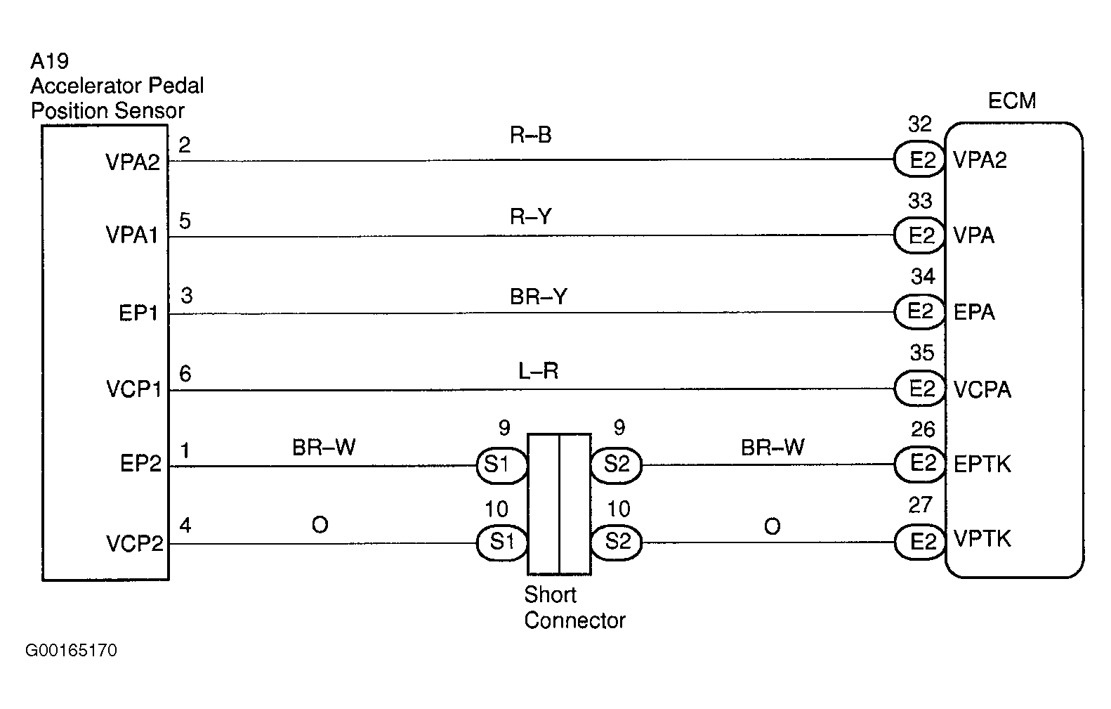
Circuit Description

The accelerator pedal position sensor is mounted on the accelerator pedal bracket and it has the 2 sensors to detect the accelerator position and a malfunction of the accelerator position sensor. In the accelerator pedal position sensor, the voltage applied to the pedal terminals VPA and VPA2 of the ECM changes between 0-5 volts, in proportion to the opening angle of the accelerator pedal. The VPA is a signal to indicate the actual accelerator pedal opening angle which is used for the engine control, and the VPA2 is a signal to indicate the information about the opening angle which is used for detecting a malfunction. The ECM judges the current opening angle of the accelerator pedal from these signals input from terminals VPA and VPA2 and, the ECM controls the throttle motor based on these signals. If DTCs are stored, the throttle valve is locked at a certain opening angle. Also, the whole electronically controlled throttle operation is cancelled until the system returns to normal and the ignition switch is turned OFF. See Figure and Figure . Possible cause is faulty accelerator pedal position sensor.