LEMON Manuals: Even more car manuals for everyone
Home >> Lexus >> 2003 >> GX 470 >> Repair and Diagnosis >> Engine Performance >> System >> Engine Controls - System & Component Testing >> Fuel Systems >> Fuel Control >> Fuel Injector Volume

Fuel Injector Volume

CAUTION: Use care when disconnecting fuel inlet hose from end of fuel filter, as some residual fuel pressure may still exist in fuel system.
  1. To check fuel injector volume, remove fuel injector. See REMOVAL & INSTALLATION - GX470 article. Obtain a new fuel main Hose (No. 23271-50190) and take out fuel tube connector from hose. Install fuel tube connector to SST (09268-41047) Hose (95336-08070). Connect tube connect and fuel pipe. See Fig 1.
  2. Remove fuel pressure regulator from delivery pipe. Install NEW "O" ring to fuel inlet of pressure regulator. Connect SST hose to fuel inlet of pressure regulator with another SST Union (09268-41091) and 2 bolts. Tighten bolts to 66 INCH lbs. (7.5 N.m). Connect fuel return hose to fuel outlet of pressure regulator. See Fig 2.
  3. Install "O" ring to injector. Connect special tools Union (09268-4110) and Hose (95336-08070) to injector and hold injector and union with SST Clamp (09268-41300). See Fig 3.
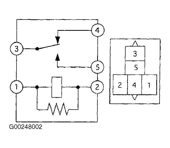
  4. NOTE: Fuel pump may be operated without scan tool by removing circuit opening relay and, using a service wire, connect terminals No. 3 and 5 of relay block. See Figure.
  5. Place fuel injector into a clean graduated container. Place vinyl tube on end of fuel injector to prevent fuel spillage. Connect scan tool to Data Link Connector (DLC) No. 3. See Fig 4. Turn ignition on. Turn scan tool on. Select ACTIVE TEST MODE on scan tool. Using scan tool manufacturer's instructions, activate fuel pump.
  6. Connect SST wire (09842-30070) to fuel injector and battery for 15 seconds. See Fig 5. Measure fuel injector volume. Test each fuel injector 2-3 times. Replace fuel injector if fuel injector volume is not within specification. See FUEL INJECTOR VOLUME SPECIFICATIONS  table. Ensure difference between fuel injector volume on all fuel injectors is within specification.
  7. Disconnect fuel injector tester. Ensure fuel leakage from end of fuel injector does not exceed one drop within 12 minutes. Replace fuel injector if leakage exceeds specification. Remove test equipment.
FUEL INJECTOR VOLUME SPECIFICATIONS

Application (1) Cu. In. (cc)
Volume 3.4-4.2 (56-69)
Maximum Difference Between Fuel Injectors .8 (13)
(1) Specification listed is for a 15 second period.
Fig 1: Connecting Fuel Tube Connector
G00248013Courtesy of © TOYOTA, LICENSE AGREEMENT TMS1002
Fig 2: Connecting Fuel Return Hose To Pressure Regulator
G00248014Courtesy of © TOYOTA, LICENSE AGREEMENT TMS1002
Fig 3: Clamping Injector To Special Tool
G00248015Courtesy of © TOYOTA, LICENSE AGREEMENT TMS1002
Fig 4: Connecting Scan Tool To DLC No. 3
G99G52841Courtesy of © TOYOTA, LICENSE AGREEMENT TMS1002
Fig 5: Connecting Wire To Injector & Battery
G00248016Courtesy of © TOYOTA, LICENSE AGREEMENT TMS1002