LEMON Manuals: Even more car manuals for everyone
Home >> Lexus >> 2002 >> ES 300 >> Repair and Diagnosis >> Engine Performance >> Engine Control Systems >> Throttle Body Assembly >> Components >> Notes

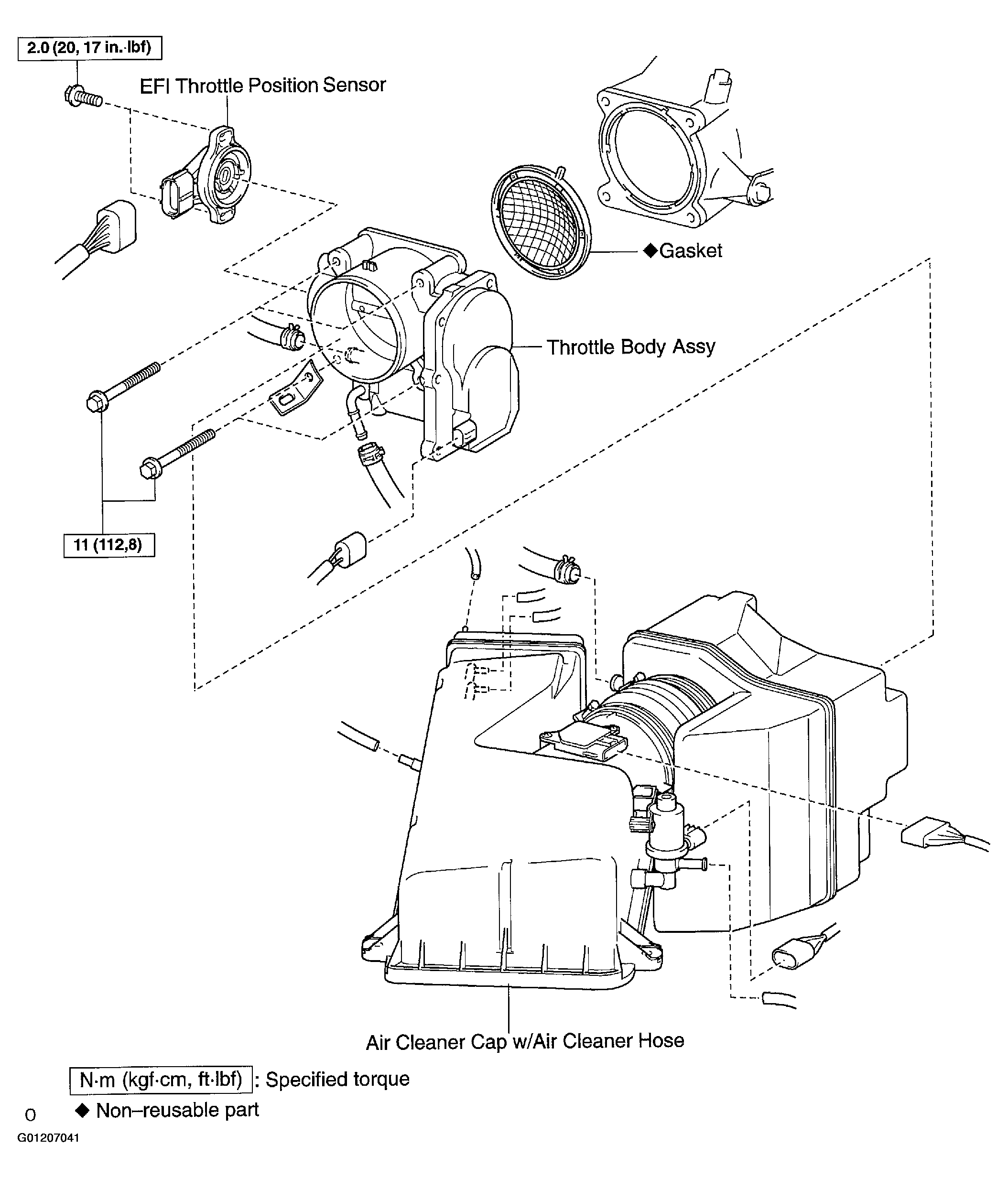
Throttle Body Assembly: Components: Notes

Fig 1: Displaying Throttle Body Assembly Components
G01207041Courtesy of © TOYOTA, LICENSE AGREEMENT TMS1002