LEMON Manuals: Even more car manuals for everyone
Home >> Lexus >> 2002 >> ES 300 >> Repair and Diagnosis (Single Page) >> Body & Frame >> Power Mirrors >> Component Tests >> Outside Rear View Mirror Position Sensor Circuit (With Memory) >> Circuit Description

Circuit Description

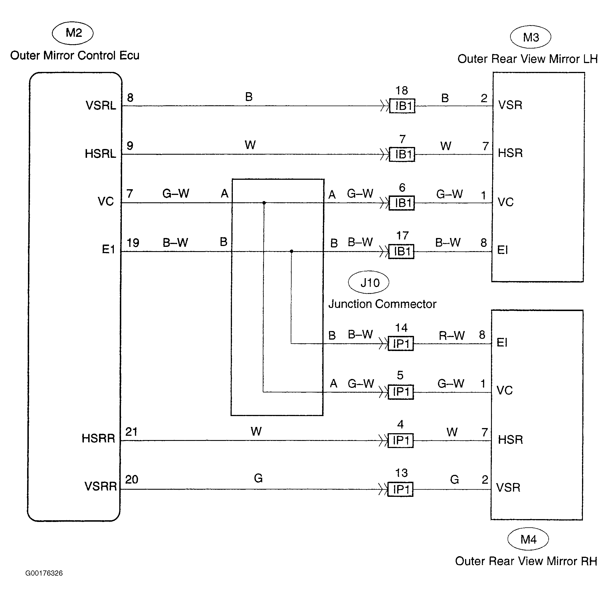
When the seat memory switch M1 and M2 is pressed, the memory seat ECU transmits the memorized mirror facing direction multiply to mirror ECU, then the mirror ECU drives the mirror motor. See Fig 1.

Fig 1: Identifying Mirror Position Sensor Circuit (With Memory)
G00176326Courtesy of © TOYOTA, LICENSE AGREEMENT TMS1002