LEMON Manuals: Even more car manuals for everyone
Home >> Lexus >> 2001 >> LS 430 >> Repair and Diagnosis >> Body & Frame >> Body, Cab Control Systems >> Body Control Systems >> Component Tests >> Headlight Relay

Headlight Relay

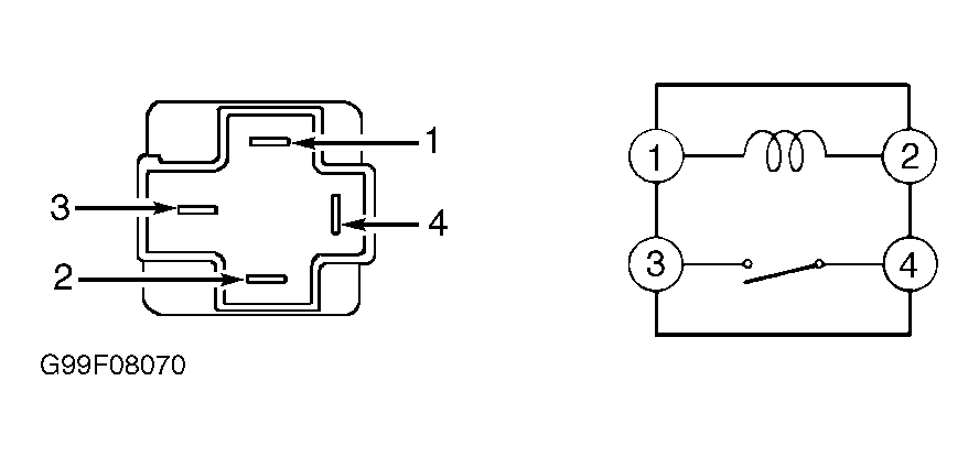
Remove headlight relay (located in junction block, on left side of engine compartment, in front of shock tower). Check continuity between relay terminals. Continuity should exist between terminals No. 1 and 2. Apply battery voltage and ground between terminals No. 1 and 2. Continuity should exist between terminals No. 3 and 4. See Figure. If continuity is not as specified, replace headlight relay and retest system operation.