LEMON Manuals: Even more car manuals for everyone
Home >> Land Rover >> 2021 >> Range Rover SVAutobiography Dynamic Blk. >> Repair and Diagnosis >> External Pages >> Different variant/trim >> Section 33 (Automatic Transmission/Transaxle - Vehicles With: 8P75XPH 8 - Speed PHEV Automatic Transmission AWD -- Range Rover/L405) >> Automatic Transmission/Transaxle - Vehicles With: 8P75XPH 8-Speed - PHEV - Automatic Transmission - AWD (G2300172) >> Removal And Installation >> Transmission Control Module And Main Control Valve Body (G2171814) >> Notes

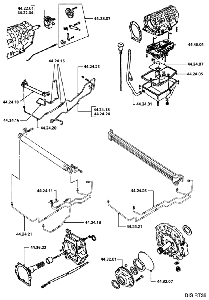
Transmission Control Module And Main Control Valve Body (G2171814): Notes

WARNING: This page is about a different variant/trim than selected.
44.24.05 FLUID PAN GASKET - RENEW 2000 CC, INGENIUM PETROL, PHEV 4.30
G11599692Courtesy of JAGUAR LAND ROVER NORTH AMERICA, LLC
44.24.05 FLUID PAN GASKET - RENEW 3000 CC, TDV6, DIESEL, HEV 1.90
G11599692Courtesy of JAGUAR LAND ROVER NORTH AMERICA, LLC
44.24.05 FLUID PAN GASKET - RENEW 3000 CC, TDV6, DIESEL, IC 0.90
G11599692Courtesy of JAGUAR LAND ROVER NORTH AMERICA, LLC
44.24.05 FLUID PAN GASKET - RENEW 4400 CC, TDV8 0.80
G11599692Courtesy of JAGUAR LAND ROVER NORTH AMERICA, LLC
44.24.05 FLUID PAN GASKET - RENEW 5000 CC, AJ V8 0.90
G11599692Courtesy of JAGUAR LAND ROVER NORTH AMERICA, LLC
44.24.05 FLUID PAN GASKET - RENEW 8HP45 1.20
G11599692Courtesy of JAGUAR LAND ROVER NORTH AMERICA, LLC
44.40.01 VALVE BODY ASSEMBLY - RENEW 2000 CC, INGENIUM PETROL, PHEV 5.00
G14120298Courtesy of JAGUAR LAND ROVER NORTH AMERICA, LLC
44.40.01 VALVE BODY ASSEMBLY - RENEW 3000 CC, INGENIUM PETROL 1.70
G11599692Courtesy of JAGUAR LAND ROVER NORTH AMERICA, LLC
44.40.01 VALVE BODY ASSEMBLY - RENEW 3000 CC, TDV6, DIESEL, HEV 2.40
G11599692Courtesy of JAGUAR LAND ROVER NORTH AMERICA, LLC
44.40.01 VALVE BODY ASSEMBLY - RENEW 3000 CC, TDV6, DIESEL, IC 1.40
G11599692Courtesy of JAGUAR LAND ROVER NORTH AMERICA, LLC
44.40.01 VALVE BODY ASSEMBLY - RENEW 4400 CC, TDV8 1.30
G11599692Courtesy of JAGUAR LAND ROVER NORTH AMERICA, LLC
44.40.01 VALVE BODY ASSEMBLY - RENEW 5000 CC, AJ V8 1.40
G11599692Courtesy of JAGUAR LAND ROVER NORTH AMERICA, LLC