LEMON Manuals: Even more car manuals for everyone
Home >> Kia >> 2023 >> Rio LX >> Repair and Diagnosis >> Engine Performance >> Engine Control Systems >> Engine Control System >> Knock Sensor (KS) >> Schematic Diagrams >> Circuit Diagram >> Notes

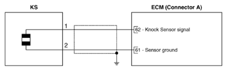
Circuit Diagram: Notes

G13704680Courtesy of KIA MOTORS AMERICA, INC.