LEMON Manuals: Even more car manuals for everyone
Home >> Kia >> 2021 >> Stinger GT-Line, AWD >> Repair and Diagnosis >> Accessories & Equipment >> Memory Modules >> Steering Column Module >> Steering Column Module (SCM) >> Schematic Diagrams >> Notes

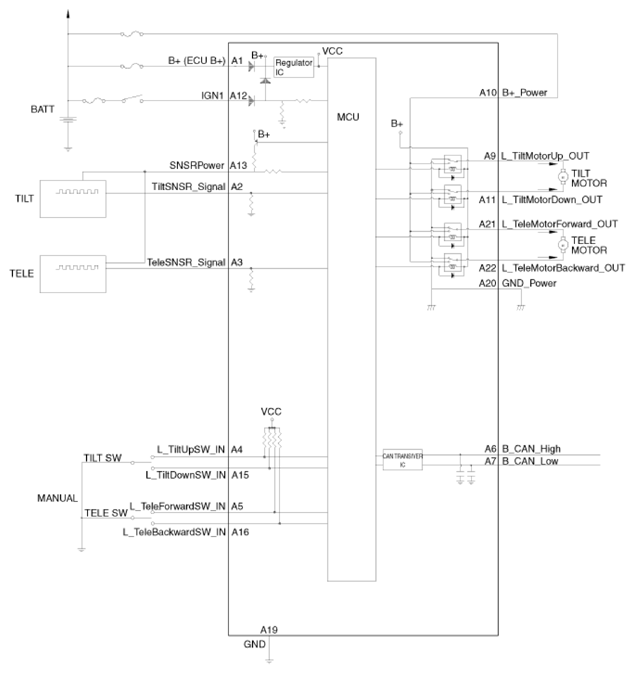
Schematic Diagrams: Notes

G13424780Courtesy of KIA MOTORS AMERICA, INC.