LEMON Manuals: Even more car manuals for everyone
Home >> Kia >> 2021 >> Seltos EX >> Repair and Diagnosis >> Engine Performance >> Engine Control Systems >> Engine Control System - 2.0L >> Knock Sensor (KS) >> Schematic Diagrams >> Circuit Diagram >> Notes

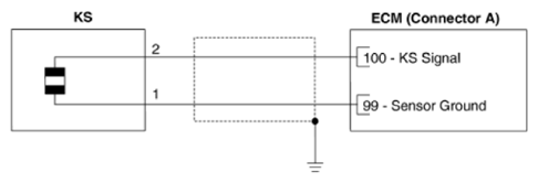
Circuit Diagram: Notes

G13483038Courtesy of KIA MOTORS AMERICA, INC.