LEMON Manuals: Even more car manuals for everyone
Home >> Kia >> 2021 >> Sedona EX >> Repair and Diagnosis >> Transmission >> Transmission Control Systems >> Automatic Transaxle Control System >> Transaxle Control Module (TCM) >> Schematic Diagrams >> Circuit Diagram

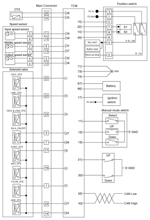
Circuit Diagram

G13044406Courtesy of KIA MOTORS AMERICA, INC.