LEMON Manuals: Even more car manuals for everyone
Home >> Kia >> 2021 >> Forte GT Line >> Repair and Diagnosis (Single Page) >> Engine Performance >> System >> Engine Control System Diagnosis - 2.0L (2 Of 6) >> DTC P0130-00: O2 Sensor Circuit (Bank 1/Sensor 1) >> Wiring Inspection >> Circuit Inspection

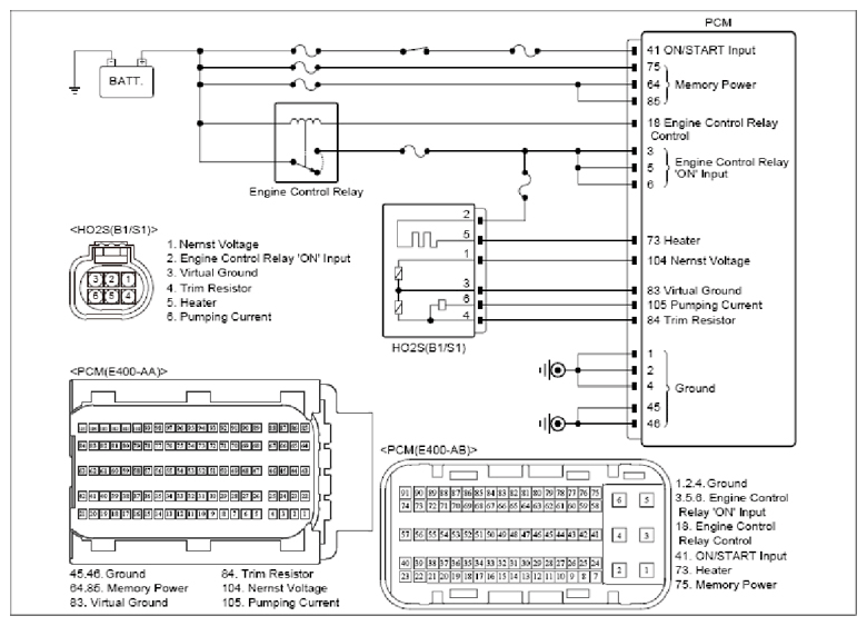
Circuit Inspection

G13298584Courtesy of KIA MOTORS AMERICA, INC.
Inspection Condition (+) Probe (-) Probe Specification
Connector Terminal Connector Terminal
  1. Ignition "OFF".
  2. Disconnect the electrical connector(s) from the concerned component.
  3. Ignition "ON".
HO2S (B1/S1) connector 1 (Nernst Voltage) Chassis ground - 0V
HO2S (B1/S1) connector 3 (Virtual ground) Chassis ground - 0V
HO2S (B1/S1) connector 6 (Pumping Current) Chassis ground - 0V
HO2S (B1/S1) connector 4 (Trim Resistor) Chassis ground - 0V
  1. Ignition "OFF".
  2. Disconnect the electrical connector(s) from the concerned component.
HO2S (B1/S1) connector 1 (Nernst Voltage) PCM connector 104 (Nernst Voltage) below 1Ω
HO2S (B1/S1) connector 3 (Virtual ground) PCM connector 83 (Virtual ground) below 1Ω
HO2S (B1/S1) connector 6 (Pumping Current) PCM connector 105 (Pumping Current) below 1Ω
HO2S (B1/S1) connector 4 (Trim Resistor) PCM connector 84 (Trim Resistor) below 1Ω

Good 

No Good