LEMON Manuals: Even more car manuals for everyone
Home >> Kia >> 2020 >> Optima Plug-In Hybrid EX >> Repair and Diagnosis >> Transmission >> Automatic Trans >> Automatic Transaxle Control System (PHEV) >> Transaxle Control Module (TCM) >> Schematic Diagrams >> Circuit Diagram

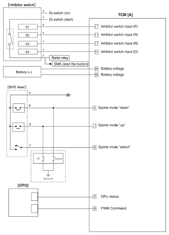
Circuit Diagram

G13361914Courtesy of KIA MOTORS AMERICA, INC.
G13361915Courtesy of KIA MOTORS AMERICA, INC.