LEMON Manuals: Even more car manuals for everyone
Home >> Kia >> 2020 >> Optima Plug-In Hybrid EX >> Repair and Diagnosis >> External Pages >> Different variant/trim >> Section 69 (Body Control Module (BCM) (HEV)) >> Schematic Diagrams >> Circuit Diagram

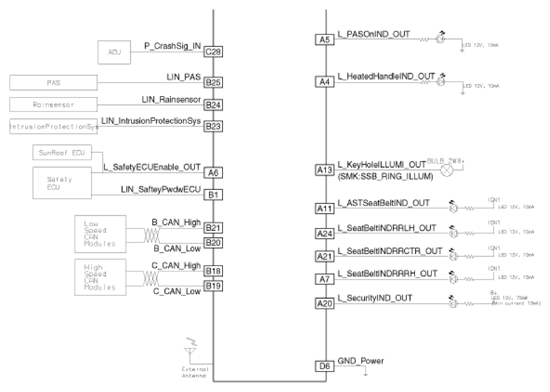
Circuit Diagram

WARNING: This page is about a different variant/trim than selected.
G13390181Courtesy of KIA MOTORS AMERICA, INC.
G13390182Courtesy of KIA MOTORS AMERICA, INC.