LEMON Manuals: Even more car manuals for everyone
Home >> Kia >> 2020 >> Optima Plug-In Hybrid EX >> Repair and Diagnosis >> External Pages >> Different variant/trim >> Section 23 (Automatic Transaxle Control System (HEV)) >> Transaxle Control Module (TCM) >> Schematic Diagrams >> Circuit Diagram

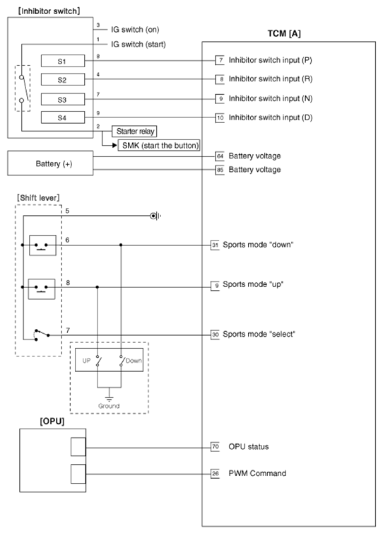
Circuit Diagram

WARNING: This page is about a different variant/trim than selected.
G13388264Courtesy of KIA MOTORS AMERICA, INC.
G13388265Courtesy of KIA MOTORS AMERICA, INC.