LEMON Manuals: Even more car manuals for everyone
Home >> Kia >> 2020 >> Cadenza Technology >> Repair and Diagnosis (Single Page) >> Engine Performance >> System >> Engine Control System Diagnosis (6 Of 6) >> DTC P2240-00: O2 Sensor Pumping Current Circuit/Open (Bank 2 Sensor 1) >> Wiring Inspection >> Terminal And Connector Inspection

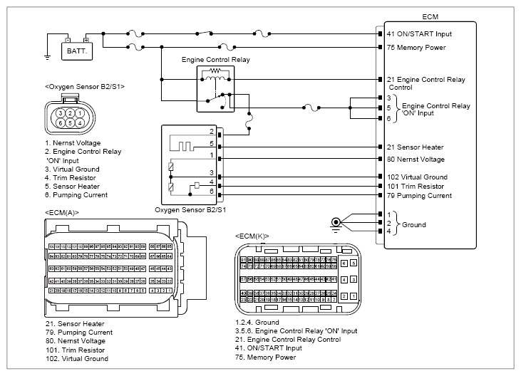
Terminal And Connector Inspection

  1. Many malfunctions in the electrical system are caused by poor connection. Faults can also be caused by interference from other electrical systems, and mechanical or chemical damage.
  2. Thoroughly check connectors for looseness, poor connection, bending, corrosion, contamination, deterioration, or damage.
  3. Has a problem been found?
G13409382Courtesy of KIA MOTORS AMERICA, INC.

YES 

NO