Circuit Inspection
| Inspection Condition | (+) Probe | (-) Probe | Specification | ||
|---|---|---|---|---|---|
| Connector | Terminal | Connector | Terminal | ||
|
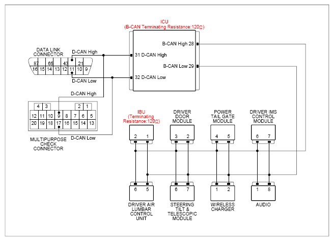
SCM harness connector | 6 (B-CAN High) | Chassis Ground | - | Figure below |
| SCM harness connector | 7 (B-CAN Low) | Chassis Ground | - | ||
Good
- Disconnect B-CAN communication units one by one and monitor DTC to find the cause.
- If the DTC erase, substitute with a known-good unit and check for proper operation. If the problem is corrected, replace the unit and go to "VERIFICATION OF REPAIR " procedure.
No Good
- Check for open, short to battery/ground in B-CAN line.
- Repair as necessary, go to "VERIFICATION OF REPAIR " procedure.