LEMON Manuals: Even more car manuals for everyone
Home >> Kia >> 2019 >> Soul Base, Automatic Trans >> Repair and Diagnosis >> Transmission >> Transmission Control Systems >> Automatic Transaxle Control System - 1.6L >> Transaxle Control Module (TCM) >> Schematic Diagrams >> Circuit Diagram

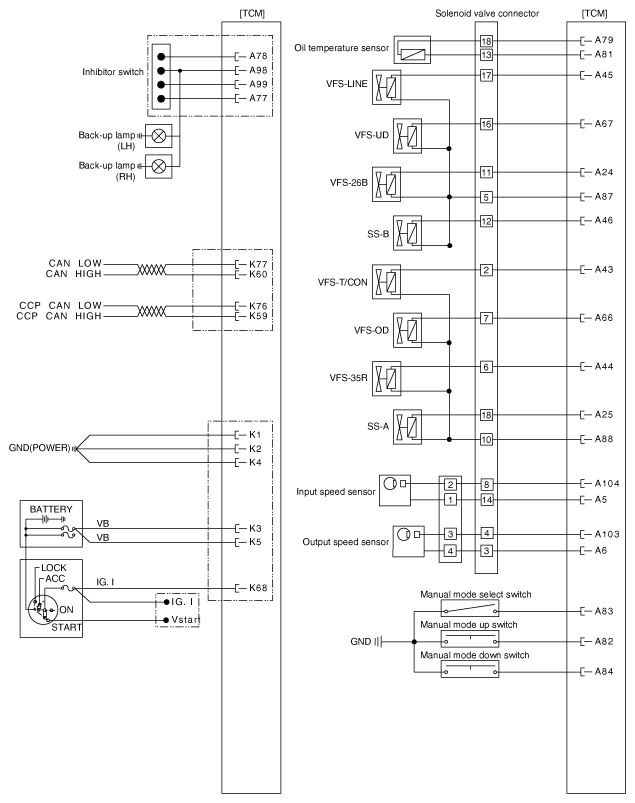
Circuit Diagram

Fig 1: Transaxle Control Module Circuit
G12227529Courtesy of KIA MOTORS AMERICA, INC.