LEMON Manuals: Even more car manuals for everyone
Home >> Kia >> 2019 >> Soul Base, Automatic Trans >> Repair and Diagnosis >> External Pages >> Different car >> Section 53 (Automatic Transaxle Control System) >> Transaxle Control Module (TCM) >> Schematic Diagrams >> Circuit Diagram

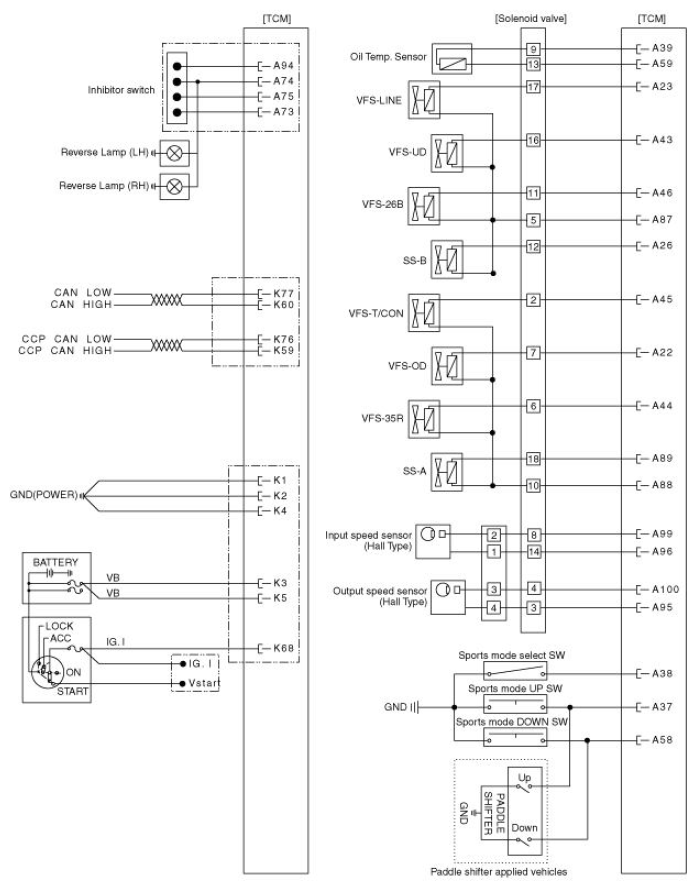
Circuit Diagram

WARNING: This page is about a different car, the 2018 Hyundai Accent. However, it is still accessible from the selected car via links, so may be relevant.
G12598966Courtesy of HYUNDAI MOTOR AMERICA

[Inhibitor Switch] 

G12598967Courtesy of HYUNDAI MOTOR AMERICA