LEMON Manuals: Even more car manuals for everyone
Home >> Kia >> 2019 >> Soul Base, Automatic Trans >> Repair and Diagnosis >> Engine Performance >> Engine Control Systems >> Engine Control System - 1.6L >> Engine Control Module (ECM) >> Schematic Diagrams >> Circuit Diagram >> (M/T)

Circuit Diagram: (M/T)

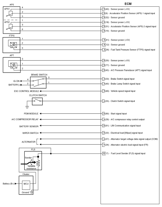
Fig 1: Engine Control Module Circuit - M/T (1 Of 4)
G12227211Courtesy of KIA MOTORS AMERICA, INC.
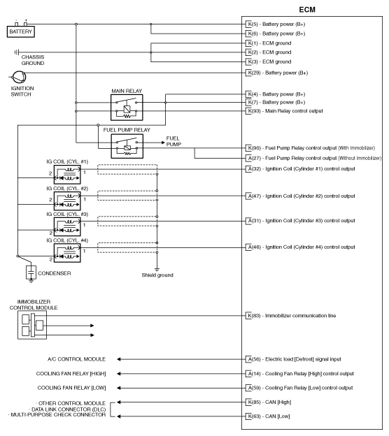
Fig 2: Engine Control Module Circuit - M/T (2 Of 4)
G12227212Courtesy of KIA MOTORS AMERICA, INC.
Fig 3: Engine Control Module Circuit - M/T (3 Of 4)
G12227213Courtesy of KIA MOTORS AMERICA, INC.
Fig 4: Engine Control Module Circuit - M/T (4 Of 4)
G12227214Courtesy of KIA MOTORS AMERICA, INC.