LEMON Manuals: Even more car manuals for everyone
Home >> Kia >> 2019 >> Rio LX >> Repair and Diagnosis >> Engine Performance >> Engine Control Systems >> Engine Control System >> Knock Sensor (KS) >> Schematic Diagrams >> Circuit Diagram >> (A/T)

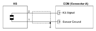
Circuit Diagram: (A/T)

G12576567Courtesy of KIA MOTORS AMERICA, INC.