LEMON Manuals: Even more car manuals for everyone
Home >> Kia >> 2019 >> Optima S >> Repair and Diagnosis >> External Pages >> Different variant/trim >> Section 177 (Body Control Module (BCM) (PHEV)) >> Schematic Diagrams >> Circuit Diagram

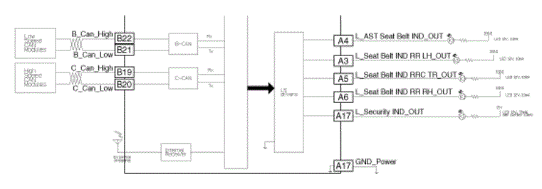
Circuit Diagram

WARNING: This page is about a different variant/trim than selected.
G13157901Courtesy of KIA MOTORS AMERICA, INC.
G13157902Courtesy of KIA MOTORS AMERICA, INC.