LEMON Manuals: Even more car manuals for everyone
Home >> Kia >> 2019 >> Niro FE >> Repair and Diagnosis >> External Pages >> Different variant/trim >> Section 62 (Body Control Module (BCM) (PHEV)) >> Schematic Diagrams >> Circuit Diagram

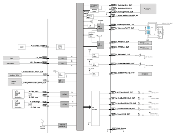
Circuit Diagram

WARNING: This page is about a different variant/trim than selected.
G12697992Courtesy of KIA MOTORS AMERICA, INC.
G12697993Courtesy of KIA MOTORS AMERICA, INC.