LEMON Manuals: Even more car manuals for everyone
Home >> Kia >> 2019 >> K900 >> Repair and Diagnosis >> Body & Frame >> Windows >> Power Windows >> Power Window Switch >> Schematic Diagrams >> Connector and Terminal function >> Driver Power Window Switch

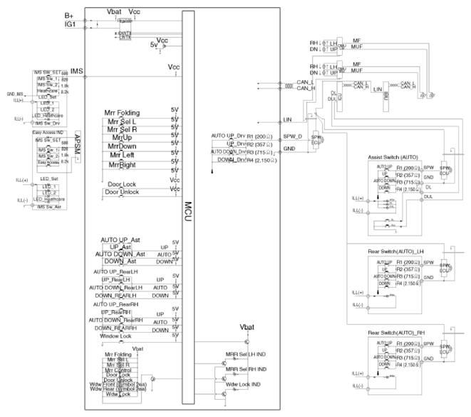
Driver Power Window Switch

G13128990Courtesy of KIA MOTORS AMERICA, INC.
G13128991Courtesy of KIA MOTORS AMERICA, INC.