LEMON Manuals: Even more car manuals for everyone
Home >> Kia >> 2019 >> Forte FE, Automatic CVT Trans >> Repair and Diagnosis >> Engine Performance >> Engine Control Systems >> Engine Control System >> Knock Sensor (KS) >> Schematic Diagrams >> Circuit Diagram

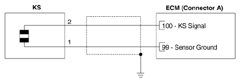
Circuit Diagram

G12830247Courtesy of KIA MOTORS AMERICA, INC.

Harness Connector 

G12830248Courtesy of KIA MOTORS AMERICA, INC.