LEMON Manuals: Even more car manuals for everyone
Home >> Kia >> 2019 >> Forte EX >> Repair and Diagnosis (Single Page) >> Engine Performance >> System >> Engine Control System Diagnosis (6 Of 6) >> DTC P2122-00: Accelerator Position Sensor 1 Signal Circuit Low Input >> Wiring Inspection >> Circuit Inspection

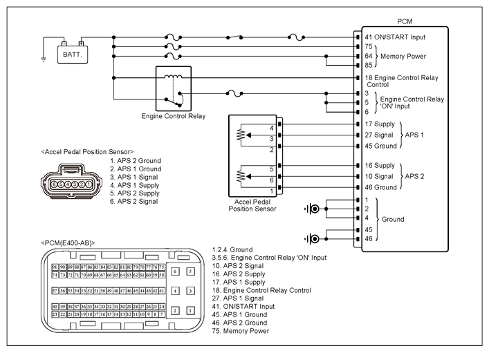
Circuit Inspection

G12851454Courtesy of KIA MOTORS AMERICA, INC.
APS1 Circuit Inspection
Inspection Condition (+) Probe (-) Probe Specification
Connector Terminal Connector Terminal
  1. Ignition "OFF" & Disconnect APS connector.
  2. Ignition "ON".
APS harness connector 4 (APS1 Supply) Chassis ground - Approx. 5V
  1. Ignition "OFF" & Disconnect APS connector.
2 (ground) Approx. below 1Ω
  1. Ignition "OFF" & Disconnect APS connector and PCM connector.
APS harness connector 3 (signal) PCM harness connector 27 (signal) Approx. below 1Ω
  1. Ignition "OFF" & Disconnect APS connector.
APS harness connector 3 (signal) Chassis ground - ∞ (infinite)Ω
3 (signal) Battery (+) terminal - ∞ (Infinite)Ω
APS2 Circuit Inspection
Inspection Condition (+) Probe (-) Probe Specification
Connector Terminal Connector Terminal
  1. Ignition "OFF" & Disconnect APS connector.
  2. Ignition "ON".
APS harness connector 5 (APS2 Supply) Chassis ground - Approx. 5V
  1. Ignition "OFF" & Disconnect APS connector.
1 (ground) Approx. below 1Ω
  1. Ignition "OFF" & Disconnect APS connector and PCM connector.
APS harness connector 6 (signal) PCM harness connector 10 (signal) Approx. below 1Ω
  1. Ignition "OFF" & Disconnect APS connector.
APS harness connector 6 (signal) Chassis ground - ∞ (Infinite)Ω
6 (signal) Battery (+) terminal - ∞ (Infinite)Ω

Good 

No Good