LEMON Manuals: Even more car manuals for everyone
Home >> Kia >> 2019 >> Forte EX >> Repair and Diagnosis (Single Page) >> Engine Performance >> System >> Engine Control System Diagnosis (2 Of 6) >> DTC P0135-00: O2 Sensor Heater Circuit (Bank 1/Sensor 1) >> Wiring Inspection >> Circuit Inspection

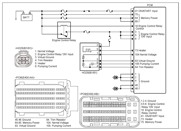
Circuit Inspection

G12850942Courtesy of KIA MOTORS AMERICA, INC.
Inspection Condition (+) Probe (-) Probe Specification
Connector Terminal Connector Terminal
  1. Ignition "OFF".
  2. Disconnect the electrical connector(s) from the concerned component.
  3. Ignition "ON".
HO2S (B1/S1) harness connector 2 (power) Chassis ground - Approx. 12V
HO2S (B1/S1) harness connector 5 (heater) Chassis ground - Approx. 2.5V

Good 

No Good