LEMON Manuals: Even more car manuals for everyone
Home >> Kia >> 2019 >> Cadenza Technology >> Repair and Diagnosis (Single Page) >> Accessories & Equipment >> Anti-Theft Systems >> Power Trunk Lid System >> Power Trunk Module Drive Unit >> Schematic Diagrams >> Circuit Diagram

Circuit Diagram

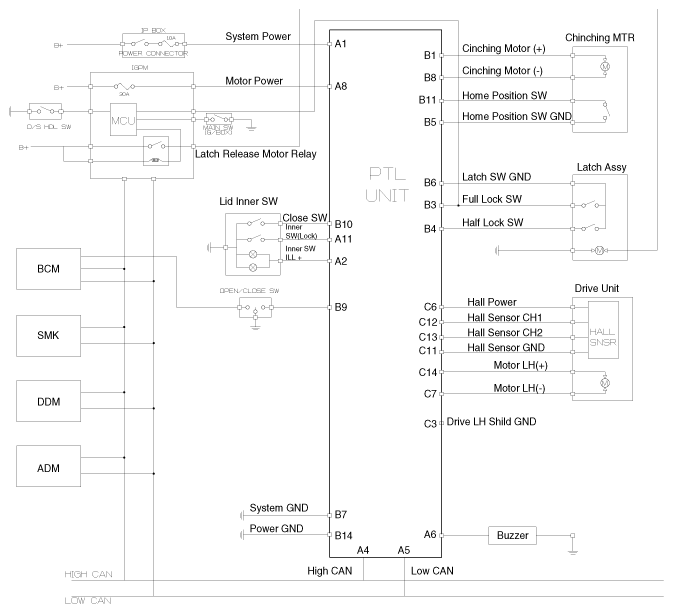
Fig 1: Power Trunk Module (PTM) Circuit
G12298816Courtesy of KIA MOTORS AMERICA, INC.