LEMON Manuals: Even more car manuals for everyone
Home >> Kia >> 2017 >> Soul + >> Repair and Diagnosis >> Engine Performance >> Engine Control Systems >> Engine Control System - 2.0L >> Engine Control Module (ECM) >> Schematic Diagrams >> Circuit Diagram

Circuit Diagram

(M/T) 

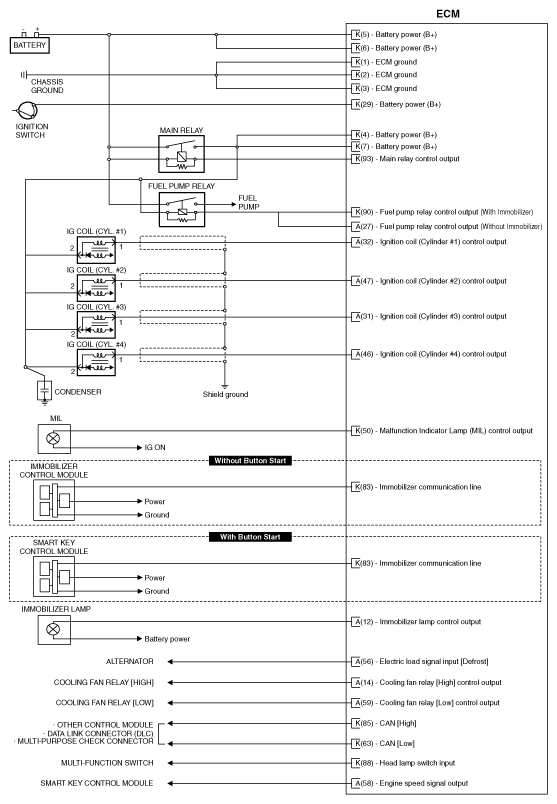
Fig 1: Engine Control Module Circuit Diagram - M/T (1 Of 4)
G12239077Courtesy of KIA MOTORS AMERICA, INC.
Fig 2: Engine Control Module Circuit Diagram - M/T (2 Of 4)
G12239078Courtesy of KIA MOTORS AMERICA, INC.
Fig 3: Engine Control Module Circuit Diagram - M/T (3 Of 4)
G12239079Courtesy of KIA MOTORS AMERICA, INC.
Fig 4: Engine Control Module Circuit Diagram - M/T (4 Of 4)
G12239080Courtesy of KIA MOTORS AMERICA, INC.

(A/T) 

Fig 5: Engine Control Module Circuit Diagram - A/T (1 Of 4)
G12239081Courtesy of KIA MOTORS AMERICA, INC.
Fig 6: Engine Control Module Circuit Diagram - A/T (2 Of 4)
G12239082Courtesy of KIA MOTORS AMERICA, INC.
Fig 7: Engine Control Module Circuit Diagram - A/T (3 Of 4)
G12239083Courtesy of KIA MOTORS AMERICA, INC.
Fig 8: Engine Control Module Circuit Diagram - A/T (4 Of 4)
G12239084Courtesy of KIA MOTORS AMERICA, INC.