LEMON Manuals: Even more car manuals for everyone
Home >> Kia >> 2017 >> Soul ! >> Repair and Diagnosis (Single Page) >> Accessories & Equipment >> Collision/Avoidance >> Blind Spot Detection System (BSD) >> Blind Spot Detection Unit >> Schematic Diagrams >> Circuit Diagram

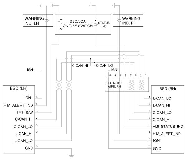
Circuit Diagram

Fig 1: Blind Spot Detection Unit Circuit Diagram
G12235358Courtesy of KIA MOTORS AMERICA, INC.