LEMON Manuals: Even more car manuals for everyone
Home >> Kia >> 2017 >> Sedona L >> Repair and Diagnosis >> Transmission >> Transmission Control Systems >> Automatic Transaxle Control System >> Transaxle Control Module (TCM) >> Schematic Diagrams >> Circuit Diagram

Circuit Diagram

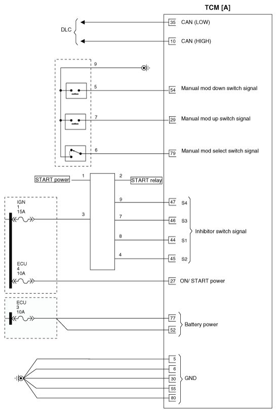
Fig 1: Transaxle Control Module Circuit Diagram (1 Of 2)
G12274707Courtesy of KIA MOTORS AMERICA, INC.
Fig 2: Transaxle Control Module Circuit Diagram (2 Of 2)
G12274708Courtesy of KIA MOTORS AMERICA, INC.