LEMON Manuals: Even more car manuals for everyone
Home >> Kia >> 2017 >> Optima Plug-In Hybrid EX >> Repair and Diagnosis >> External Pages >> Different variant/trim >> Section 84 (Advanced Smart Cruise Control System (Except HEV)) >> Advanced Smart Cruise Control (ASCC) ECU >> Schematic Diagrams >> Circuit Diagram

Circuit Diagram

WARNING: This page is about a different variant/trim than selected.
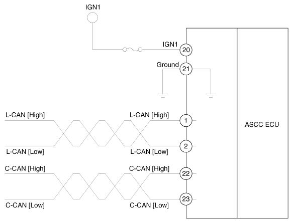
Fig 1: Advanced Smart Cruise Control ECU Circuit
G12139960Courtesy of KIA MOTORS AMERICA, INC.