LEMON Manuals: Even more car manuals for everyone
Home >> Kia >> 2017 >> Optima Plug-In Hybrid EX >> Repair and Diagnosis >> Engine Performance >> System >> Engine Control System Diagnosis (1 Of 3) (PHEV) >> DTC P0133-00: O2-Sensor Circuit Slow Response (Bank 1/Sensor 1) >> Wiring Inspection >> Terminal and Connector Inspection

Terminal and Connector Inspection

  1. Many malfunctions in the electrical system are caused by poor harness and terminals.

    Faults can also be caused by interference from other electrical systems, and mechanical or chemical damage.

  2. Thoroughly check connectors for backed out terminal, improper mating, broken locks, looseness, poor connection, bending, corrosion, contamination, deterioration, damage or poor terminal to wire connection.
  3. Has a problem been found?
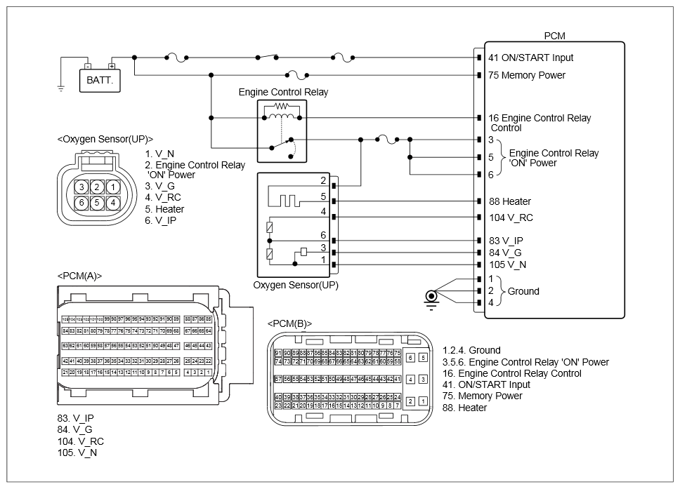
G12367312Courtesy of KIA MOTORS AMERICA, INC.

YES 

NO