LEMON Manuals: Even more car manuals for everyone
Home >> Kia >> 2017 >> Optima Plug-In Hybrid EX >> Repair and Diagnosis >> Body & Frame >> Windows >> Power Windows (PHEV) >> Power Window Switch >> Schematic Diagrams >> Circuit Diagram >> Driver Power Window Switch >> [Driver Power Window Switch (Non-IMS)]

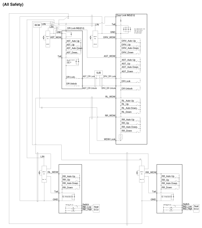
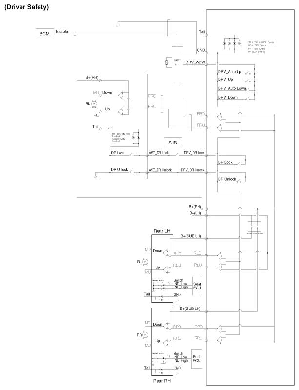
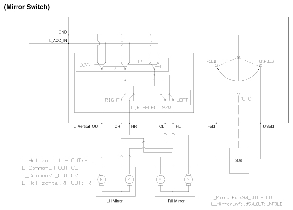
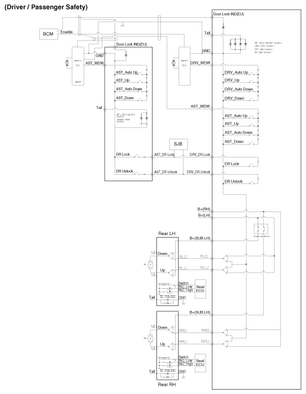
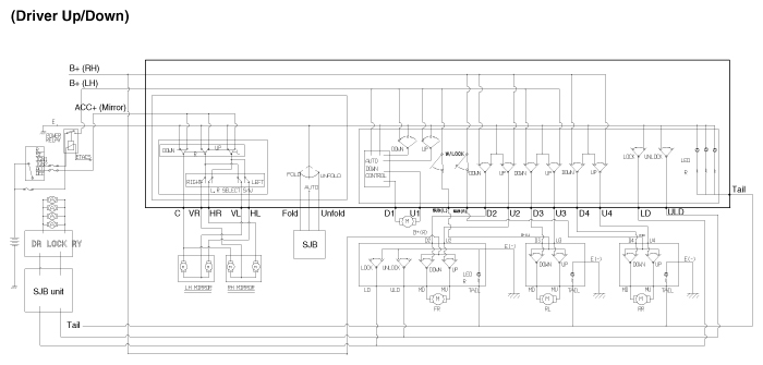
[Driver Power Window Switch (Non-IMS)]

G12351745Courtesy of KIA MOTORS AMERICA, INC.
G12351746Courtesy of KIA MOTORS AMERICA, INC.
G12351747Courtesy of KIA MOTORS AMERICA, INC.
G12351748Courtesy of KIA MOTORS AMERICA, INC.
G12351749Courtesy of KIA MOTORS AMERICA, INC.