LEMON Manuals: Even more car manuals for everyone
Home >> Kia >> 2017 >> Forte S >> Repair and Diagnosis (Single Page) >> Transmission >> Transmission Control Systems >> Automatic Transaxle Control System - 2.0L MPI Nu (A6GF1) >> Transaxle Control Module (TCM) >> Schematic Diagrams >> Circuit Diagram

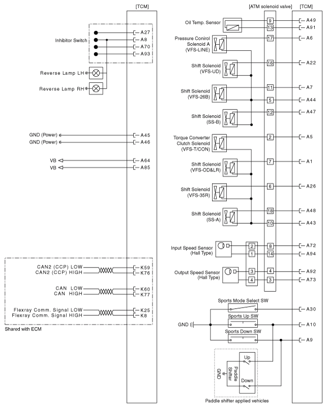
Circuit Diagram

Fig 1: TCM System Circuit
G12165747Courtesy of KIA MOTORS AMERICA, INC.