LEMON Manuals: Even more car manuals for everyone
Home >> Kia >> 2017 >> Forte LX, Automatic Trans >> Repair and Diagnosis >> External Pages >> Different car >> Section 69 (Body Control Module (BCM)) >> Schematic Diagrams >> Circuit Diagram

Circuit Diagram

WARNING: This page is about a different car, the 2018 Kia Forte5 and 2018 Kia Forte. However, it is still accessible from the selected car via links, so may be relevant.
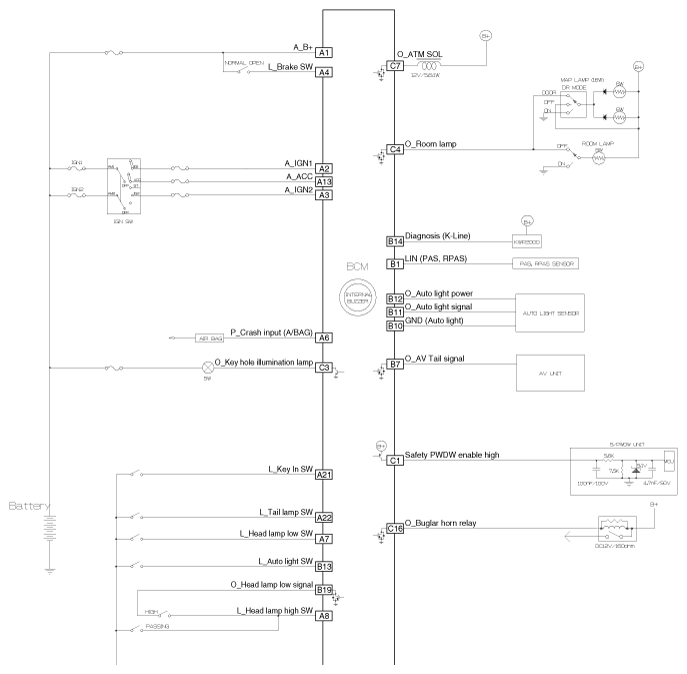
Fig 1: Body Control Module Circuit Diagram (1 Of 2)
G12164704Courtesy of KIA MOTORS AMERICA, INC.
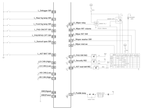
Fig 2: Body Control Module Circuit Diagram (2 Of 2)
G12164705Courtesy of KIA MOTORS AMERICA, INC.