LEMON Manuals: Even more car manuals for everyone
Home >> Kia >> 2017 >> Forte EX >> Repair and Diagnosis >> External Pages >> Different car >> Section 76 (Smart Key System) >> Smart Key Unit >> Schematic Diagrams >> Circuit Diagram

Circuit Diagram

WARNING: This page is about a different car, the 2018 Kia Forte5 and 2018 Kia Forte. However, it is still accessible from the selected car via links, so may be relevant.
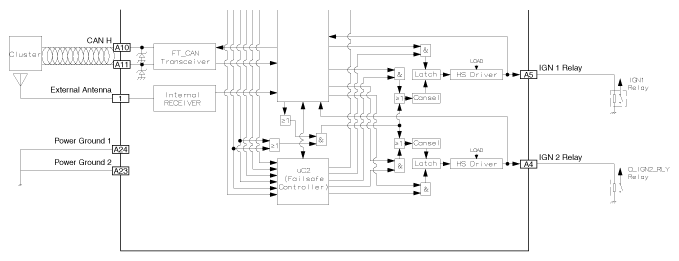
Fig 1: Smart Key Unit System Circuit (1 Of 2)
G12164618Courtesy of KIA MOTORS AMERICA, INC.
Fig 2: Smart Key Unit System Circuit (2 Of 2)
G12164619Courtesy of KIA MOTORS AMERICA, INC.