LEMON Manuals: Even more car manuals for everyone
Home >> Kia >> 2017 >> Cadenza Technology >> Repair and Diagnosis >> Engine Performance >> System >> Engine Control System Diagnosis (5 Of 6) >> DTC P064A-00: Fuel Pump Control Module >> Wiring Inspection >> Terminal and Connector Inspection

Terminal and Connector Inspection

  1. Many malfunctions in the electrical system are caused by poor connection. Faults can also be caused by interference from other electrical systems, and mechanical or chemical damage.
  2. Thoroughly check connectors for looseness, poor connection, bending, corrosion, contamination, deterioration, or damage.
  3. Has a problem been found?
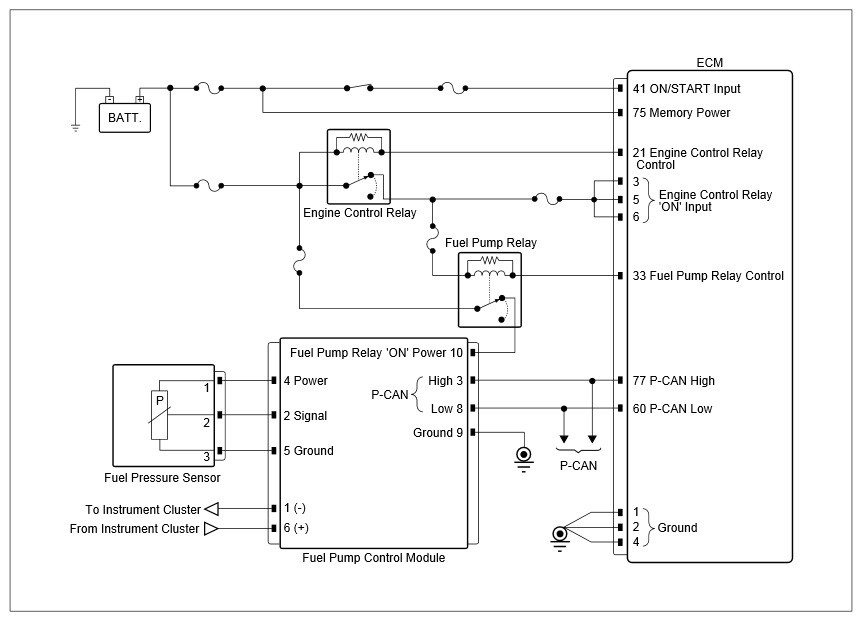
    Fig 1: Fuel Pump Control Module And Fuel Pressure Sensor Circuit Diagram
    G12283708Courtesy of KIA MOTORS AMERICA, INC.
    Fig 2: Fuel Pump Control Module And Fuel Pressure Sensor Connector Terminals
    G12283709Courtesy of KIA MOTORS AMERICA, INC.

    YES 

    NO