LEMON Manuals: Even more car manuals for everyone
Home >> Kia >> 2017 >> Cadenza Technology >> Repair and Diagnosis (Single Page) >> Accessories & Equipment >> Communication Devices >> Cluster Module Diagnosis >> DTC B1020-55: TPMS Present Error - Coding Code Error >> Wiring Inspection >> Terminal & Connector Inspection

Terminal & Connector Inspection

  1. Many malfunctions in the electrical system are caused by poor connection.

    Faults can also be caused by interference from other electrical systems, and mechanical or chemical damage.

  2. Thoroughly check connectors for looseness, poor connection, bending, corrosion, contamination, deterioration, or damage.
  3. Has a problem been found?
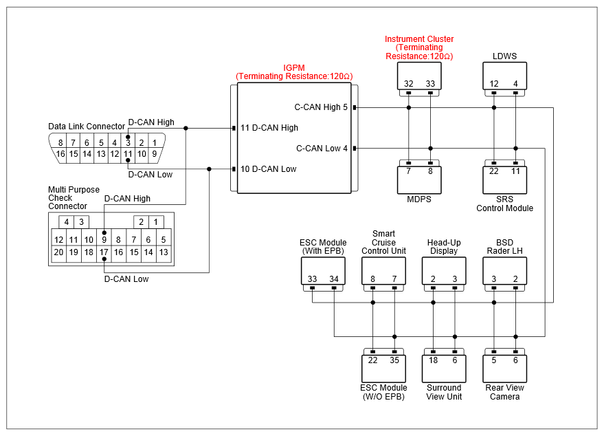
    Fig 1: IGPM & Instrument Cluster Circuit Diagram
    G12289295Courtesy of KIA MOTORS AMERICA, INC.

    YES 

    NO