LEMON Manuals: Even more car manuals for everyone
Home >> Kia >> 2016 >> Soul Base, Standard Trans >> Repair and Diagnosis >> Engine Performance >> Engine Control Systems >> Engine Control System - 1.6L >> Engine Control Module (ECM) >> Schematic Diagrams >> Circuit Diagram

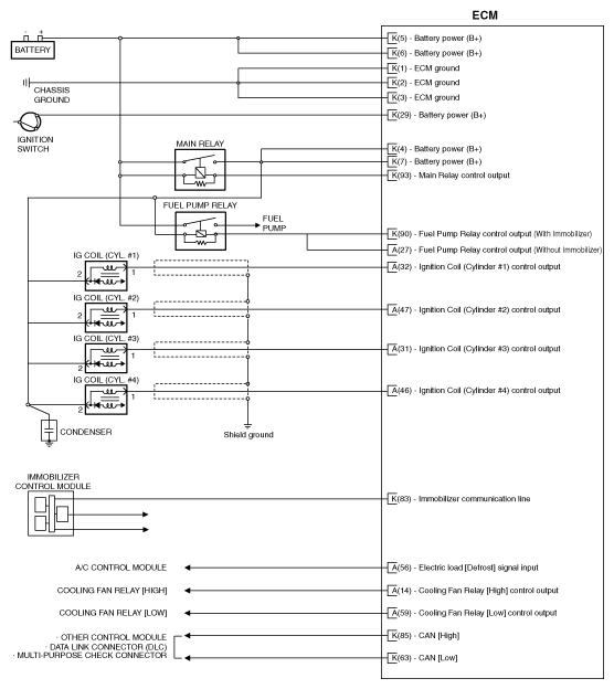
Circuit Diagram

(M/T) 

G11950048Courtesy of
G11950049Courtesy of
G11950050Courtesy of
G11950051Courtesy of

(A/T) 

G11950052Courtesy of
G11950053Courtesy of
G11950054Courtesy of
G11950055Courtesy of