LEMON Manuals: Even more car manuals for everyone
Home >> Kia >> 2016 >> Soul ! >> Repair and Diagnosis >> Engine Performance >> Engine Control Systems >> Engine Control System - 2.0L >> Engine Control Module (ECM) >> Schematic Diagrams >> Circuit Diagram >> (M/T)

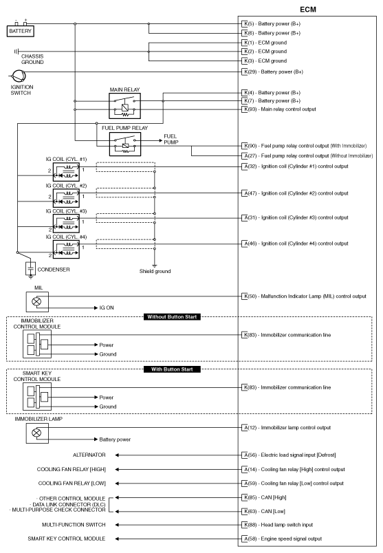
Circuit Diagram: (M/T)

G11955474Courtesy of KIA MOTORS AMERICA, INC.
G11955475Courtesy of KIA MOTORS AMERICA, INC.
G11955476Courtesy of KIA MOTORS AMERICA, INC.
G11955477Courtesy of KIA MOTORS AMERICA, INC.