LEMON Manuals: Even more car manuals for everyone
Home >> Kia >> 2016 >> Sedona EX >> Repair and Diagnosis >> Transmission >> Transmission Control Systems >> Automatic Transaxle Control System >> Transaxle Control Module (TCM) >> Schematic Diagrams >> Circuit Diagram

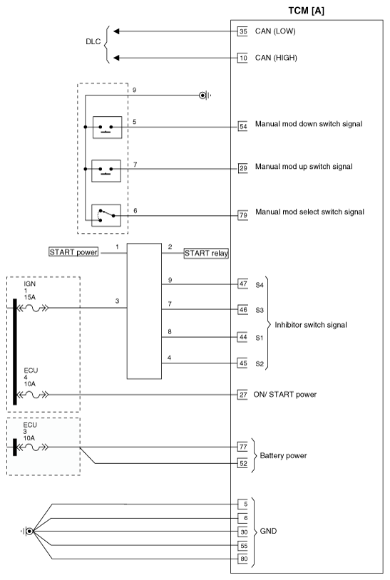
Circuit Diagram

Fig 1: TCM Circuit Diagram (1 Of 2)
G11856811Courtesy of KIA MOTORS AMERICA, INC.
Fig 2: TCM Circuit Diagram (2 Of 2)
G11856812Courtesy of KIA MOTORS AMERICA, INC.