LEMON Manuals: Even more car manuals for everyone
Home >> Kia >> 2016 >> K900 V6 >> Repair and Diagnosis >> Engine Performance >> Engine Control Systems >> Engine Control System - 3.8L >> Engine Control Module (ECM) >> Schematic Diagrams >> Circuit Diagram

Circuit Diagram

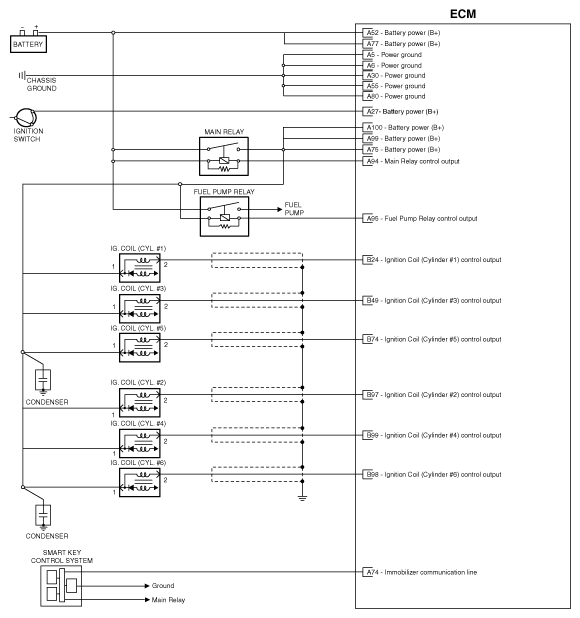
Fig 1: Engine Control Module Circuit Diagram (1 Of 5)
G11804914Courtesy of KIA MOTORS AMERICA, INC.
Fig 2: Engine Control Module Circuit Diagram (2 Of 5)
G11804915Courtesy of KIA MOTORS AMERICA, INC.
Fig 3: Engine Control Module Circuit Diagram (3 Of 5)
G11804916Courtesy of KIA MOTORS AMERICA, INC.
Fig 4: Engine Control Module Circuit Diagram (4 Of 5)
G11804917Courtesy of KIA MOTORS AMERICA, INC.
Fig 5: Engine Control Module Circuit Diagram (5 Of 5)
G11804918Courtesy of KIA MOTORS AMERICA, INC.