LEMON Manuals: Even more car manuals for everyone
Home >> Kia >> 2016 >> Forte5 SX, Standard Trans >> Repair and Diagnosis >> Engine Performance >> Engine Control Systems >> Engine Control System - 1.6L >> Engine Control Module (ECM) >> Schematic Diagrams >> Circuit Diagram

Circuit Diagram

(M/T) 

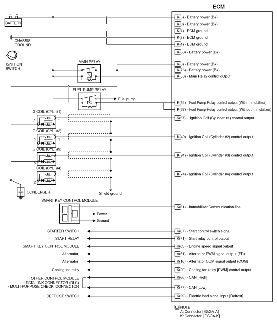
Fig 1: Engine Control/Fuel System Circuit Diagram - M/T (1 Of 4)
G11794831Courtesy of KIA MOTORS AMERICA, INC.
Fig 2: Engine Control/Fuel System Circuit Diagram - M/T (2 Of 4)
G11794833Courtesy of KIA MOTORS AMERICA, INC.
Fig 3: Engine Control/Fuel System Circuit Diagram - M/T (3 Of 4)
G11794832Courtesy of KIA MOTORS AMERICA, INC.
Fig 4: Engine Control/Fuel System Circuit Diagram - M/T (4 Of 4)
G11794834Courtesy of KIA MOTORS AMERICA, INC.

(A/T) 

Fig 5: Engine Control/Fuel System Circuit Diagram - A/T (1 Of 4)
G11794835Courtesy of KIA MOTORS AMERICA, INC.
Fig 6: Engine Control/Fuel System Circuit Diagram - A/T (2 Of 4)
G11794836Courtesy of KIA MOTORS AMERICA, INC.
Fig 7: Engine Control/Fuel System Circuit Diagram - A/T (3 Of 4)
G11794837Courtesy of KIA MOTORS AMERICA, INC.
Fig 8: Engine Control/Fuel System Circuit Diagram - A/T (4 Of 4)
G11794838Courtesy of KIA MOTORS AMERICA, INC.