LEMON Manuals: Even more car manuals for everyone
Home >> Kia >> 2016 >> Forte5 EX >> Repair and Diagnosis (Single Page) >> Accessories & Equipment >> Communication Devices >> Body Control Module (BCM) >> Body Control Module (BCM) >> Schematic Diagrams >> Circuit Diagram

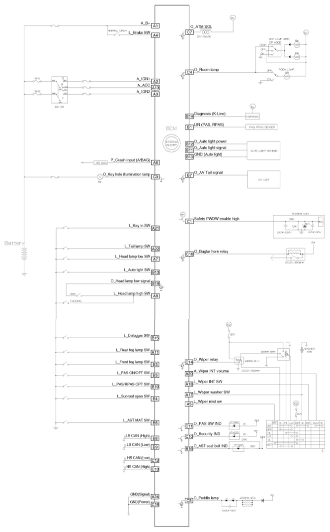
Circuit Diagram

Fig 1: Body Control Module Schematic Diagrams
G11792180Courtesy of KIA MOTORS AMERICA, INC.