LEMON Manuals: Even more car manuals for everyone
Home >> Kia >> 2016 >> Forte LX, Standard Trans >> Repair and Diagnosis >> Engine Performance >> Engine Control Systems >> Engine Control System - 1.8L >> Engine Control Module (ECM) >> Schematic Diagrams >> Circuit Diagram

Circuit Diagram

(M/T) 

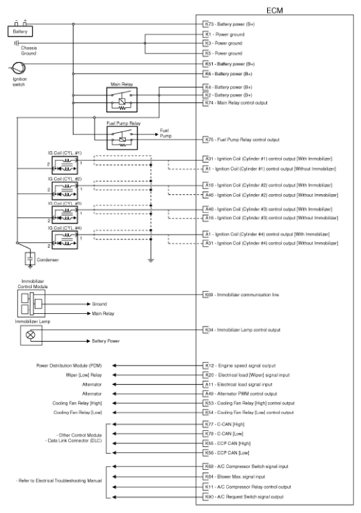
Fig 1: ECM Circuit Diagram (M/T; 1 Of 4)
G11793801Courtesy of KIA MOTORS AMERICA, INC.
Fig 2: ECM Circuit Diagram (M/T; 2 Of 4)
G11793802Courtesy of KIA MOTORS AMERICA, INC.
Fig 3: ECM Circuit Diagram (M/T; 3 Of 4)
G11793803Courtesy of KIA MOTORS AMERICA, INC.
Fig 4: ECM Circuit Diagram (M/T; 4 Of 4)
G11793804Courtesy of KIA MOTORS AMERICA, INC.

(A/T) 

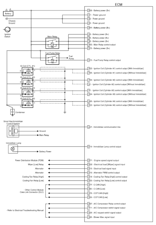
Fig 5: ECM Circuit Diagram (A/T; 1 Of 4)
G11793805Courtesy of KIA MOTORS AMERICA, INC.
Fig 6: ECM Circuit Diagram (A/T; 2 Of 4)
G11793806Courtesy of KIA MOTORS AMERICA, INC.
Fig 7: ECM Circuit Diagram (A/T; 3 Of 4)
G11793807Courtesy of KIA MOTORS AMERICA, INC.
Fig 8: ECM Circuit Diagram (A/T; 4 Of 4)
G11793808Courtesy of KIA MOTORS AMERICA, INC.