LEMON Manuals: Even more car manuals for everyone
Home >> Kia >> 2016 >> Forte EX >> Repair and Diagnosis (Single Page) >> Engine Performance >> Engine Control Systems >> Engine Control System - 2.0L >> Engine Control Module (ECM) >> Schematic Diagrams >> Circuit Diagram

Circuit Diagram

(M/T) 

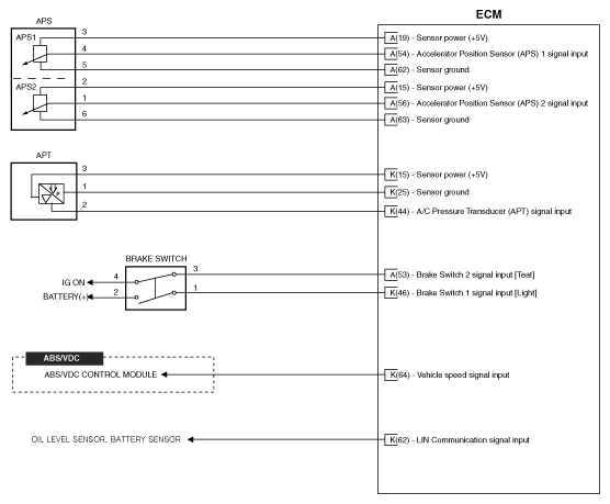
Fig 1: Engine Control Module Circuit Diagram - M/T (1 Of 4)
G11796888Courtesy of KIA MOTORS AMERICA, INC.
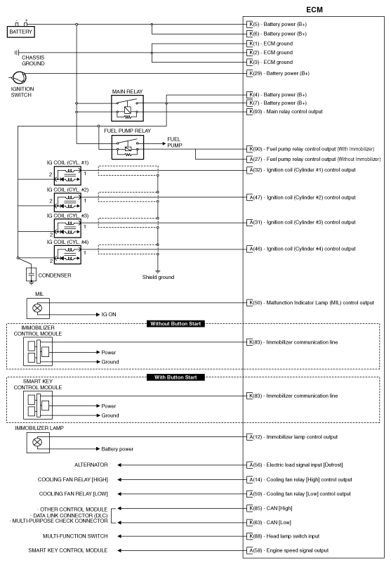
Fig 2: Engine Control Module Circuit Diagram - M/T (2 Of 4)
G11796889Courtesy of KIA MOTORS AMERICA, INC.
Fig 3: Engine Control Module Circuit Diagram - M/T (3 Of 4)
G11796890Courtesy of KIA MOTORS AMERICA, INC.
Fig 4: Engine Control Module Circuit Diagram - M/T (4 Of 4)
G11796891Courtesy of KIA MOTORS AMERICA, INC.

(A/T) 

Fig 5: Engine Control Module Circuit Diagram - A/T (1 Of 4)
G11796892Courtesy of KIA MOTORS AMERICA, INC.
Fig 6: Engine Control Module Circuit Diagram - A/T (2 Of 4)
G11796893Courtesy of KIA MOTORS AMERICA, INC.
Fig 7: Engine Control Module Circuit Diagram - A/T (3 Of 4)
G11796894Courtesy of KIA MOTORS AMERICA, INC.
Fig 8: Engine Control Module Circuit Diagram - A/T (4 Of 4)
G11796895Courtesy of KIA MOTORS AMERICA, INC.